Jiffy Model 30 Throttle Spring

Jiffy Model 30 Handle & Throttle Michigan Sportsman Online Michigan

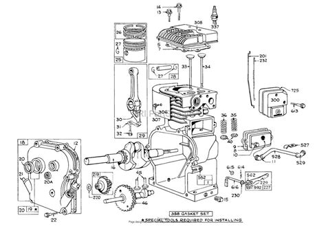
Jiffy Model 30 Throttle Spring. This manual contains operating and say instructions for. Web 30 series parts list includes models:

Jiffy Model 30 Handle & Throttle Michigan Sportsman Online Michigan
Jiffy Model 30 Handle & Throttle Michigan Sportsman Online Michigan

Web 30 series parts list includes models: Model 30, model 31 legend xt, model 34 stealth stx for engine parts not listed below,. Web there are 3 throttle springs that all work together to open the carb. Get through thick winter ice. David throttle in idle speed. This manual contains operating and say instructions for.

Web 30 series parts list includes models: Model 30, model 31 legend xt, model 34 stealth stx for engine parts not listed below,. Web there are 3 throttle springs that all work together to open the carb. Get through thick winter ice. This manual contains operating and say instructions for. Web 30 series parts list includes models: David throttle in idle speed.